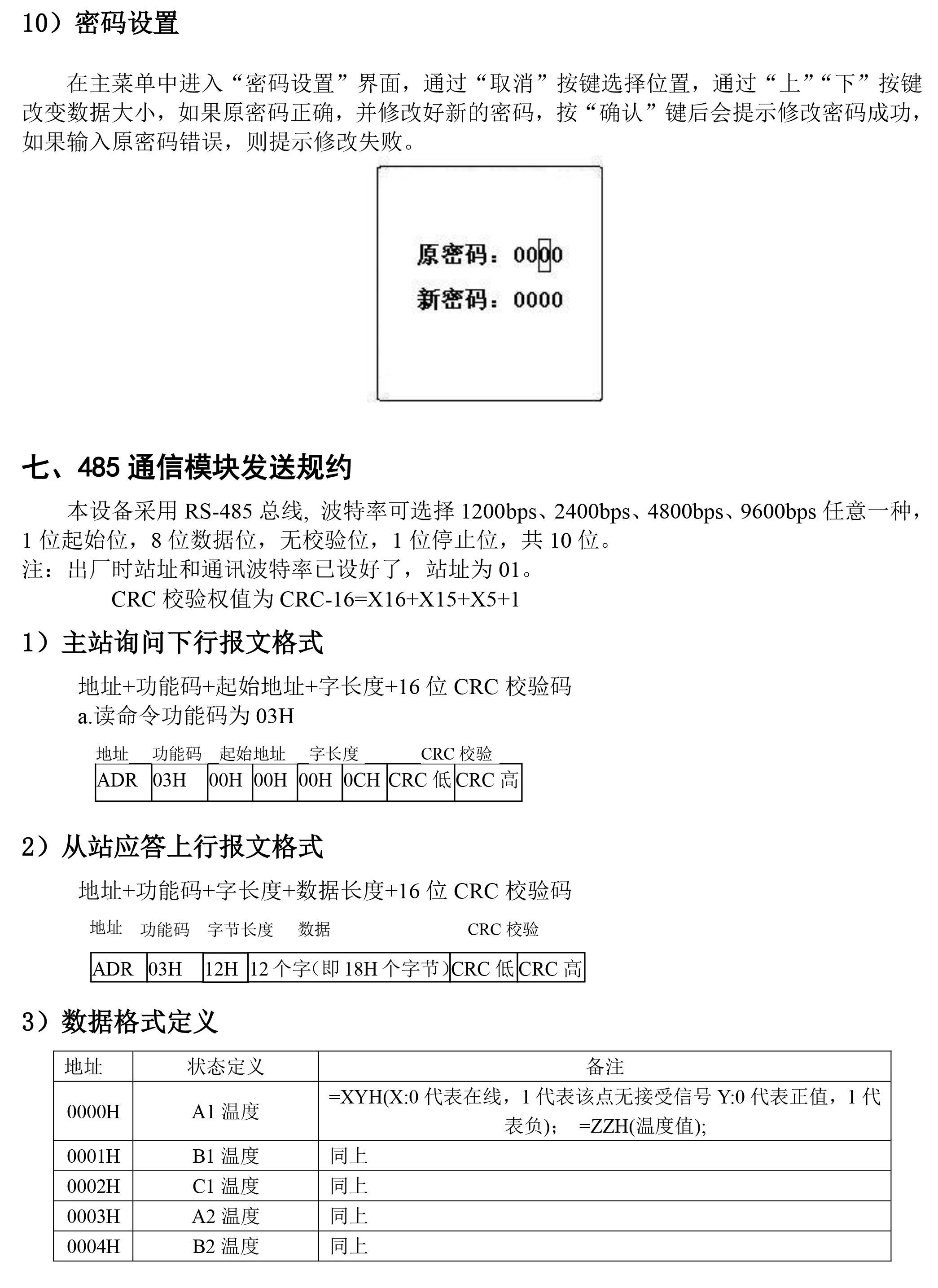
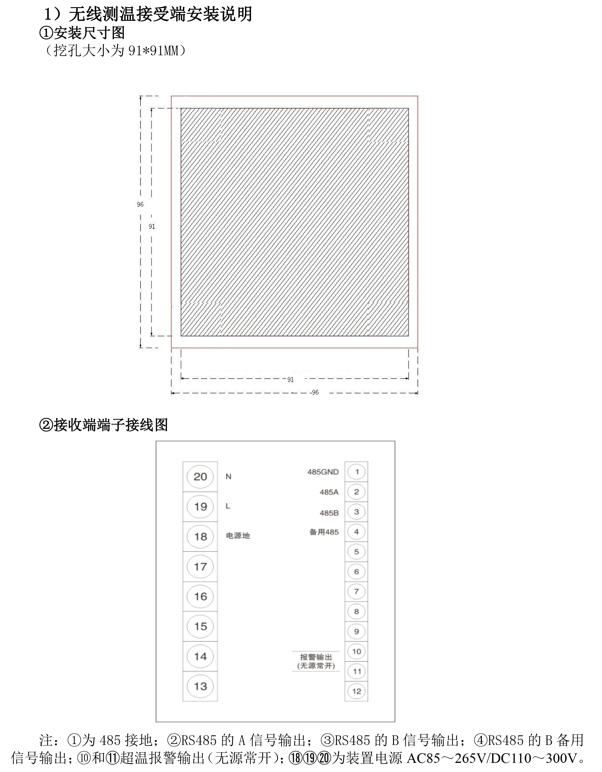
云顶国际
首页
关于我们
产品展示
AP12s真空断路器
Aplit3000智能电力运维管理平台
Aplit2000综合计费系统平台
电气防火限流式保护器(单相/三相)
多功能仪表/电流表/电压表/电能表(单相/三相)
MES生产管理系统平台
电力监控系统
高压并联电容器
开关柜智能操控装置
无线接点测温装置
MES生产管理系统平台
平台介绍
模块与功能
项目实施计划
应用案例
新闻资讯
公司新闻
行业新闻
在线咨询
联系我们
13806005526
<
返回
首页
>
产品展示
>
无线接点测温装置
APCW系列无线接点测温装置
联系我们
资料下载
产品介绍
推荐产品
查看更多+
查看更多
开关柜智能操控装置
查看更多
高压并联电容器
查看更多
Aplit3000智能电力运维管理平台
热门资讯
查看更多+
高压真空断路器的储能方法
2024-03-19
高压负荷开关详细介绍
2021-08-27
真空断路器和真空接触器有什么区别?
2024-03-14
真空断路器与FC断路器的区别在哪里?
2021-08-27
高压真空断路器的防跳、闭锁起什么作用?
2024-03-13
13806005526
电话
微信
地图
顶部
13806005526
首页
关于我们
产品展示
+
AP12s真空断路器
Aplit3000智能电力运维管理平台
Aplit2000综合计费系统平台
电气防火限流式保护器(单相/三相)
多功能仪表/电流表/电压表/电能表(单相/三相)
MES生产管理系统平台
电力监控系统
高压并联电容器
开关柜智能操控装置
无线接点测温装置
MES生产管理系统平台
+
平台介绍
模块与功能
项目实施计划
应用案例
新闻资讯
+
公司新闻
行业新闻
在线咨询
联系我们